Modem Ka Diagram . Connect your modem to a cable or dsl wall outlet using the provided coaxial. Each network diagram includes a description of the pros and cons of that layout and tips for building it. The modem, the router, the computer, and the internet. the modem router connection diagram typically consists of four main components: The modem acts as the bridge. A modem connects your home network to the internet, and a router ensures the traffic from the internet reache the correct device on your network. a modem circuit diagram is a visual representation of the electrical components that make up a modem system. the typical connection diagram for a modem and router setup looks like this: this gallery contains network diagrams for wireless, wired, and hybrid home networks.
from newlasertagatlanta.blogspot.com
The modem acts as the bridge. The modem, the router, the computer, and the internet. Connect your modem to a cable or dsl wall outlet using the provided coaxial. this gallery contains network diagrams for wireless, wired, and hybrid home networks. the modem router connection diagram typically consists of four main components: Each network diagram includes a description of the pros and cons of that layout and tips for building it. the typical connection diagram for a modem and router setup looks like this: a modem circuit diagram is a visual representation of the electrical components that make up a modem system. A modem connects your home network to the internet, and a router ensures the traffic from the internet reache the correct device on your network.
39 two routers one modem diagram Wiring Diagrams Manual
Modem Ka Diagram the typical connection diagram for a modem and router setup looks like this: the modem router connection diagram typically consists of four main components: a modem circuit diagram is a visual representation of the electrical components that make up a modem system. Each network diagram includes a description of the pros and cons of that layout and tips for building it. this gallery contains network diagrams for wireless, wired, and hybrid home networks. The modem, the router, the computer, and the internet. A modem connects your home network to the internet, and a router ensures the traffic from the internet reache the correct device on your network. The modem acts as the bridge. Connect your modem to a cable or dsl wall outlet using the provided coaxial. the typical connection diagram for a modem and router setup looks like this:
From www.somut.net
ADSL Modem Kurulum Ayarları — Modem Ka Diagram a modem circuit diagram is a visual representation of the electrical components that make up a modem system. The modem acts as the bridge. this gallery contains network diagrams for wireless, wired, and hybrid home networks. Connect your modem to a cable or dsl wall outlet using the provided coaxial. Each network diagram includes a description of the. Modem Ka Diagram.
From deepitetech.blogspot.com
Modem in Hindi मॉडेम क्या है और इसके प्रकार What is Modem and it Types? Modem Ka Diagram Each network diagram includes a description of the pros and cons of that layout and tips for building it. this gallery contains network diagrams for wireless, wired, and hybrid home networks. A modem connects your home network to the internet, and a router ensures the traffic from the internet reache the correct device on your network. a modem. Modem Ka Diagram.
From smartnetworkgeek.com
8 Effective Home Network Setup Diagram For Your House In 2023 Smart Modem Ka Diagram a modem circuit diagram is a visual representation of the electrical components that make up a modem system. Each network diagram includes a description of the pros and cons of that layout and tips for building it. the typical connection diagram for a modem and router setup looks like this: A modem connects your home network to the. Modem Ka Diagram.
From wiring07.blogspot.com
Wiring Diagram Modem Modem Circuit Computer Circuits Next Gr To Modem Ka Diagram A modem connects your home network to the internet, and a router ensures the traffic from the internet reache the correct device on your network. Each network diagram includes a description of the pros and cons of that layout and tips for building it. The modem acts as the bridge. this gallery contains network diagrams for wireless, wired, and. Modem Ka Diagram.
From lora-developers.semtech.com
LoRa Basics Modem User Guide DEVELOPER PORTAL Modem Ka Diagram the modem router connection diagram typically consists of four main components: The modem, the router, the computer, and the internet. the typical connection diagram for a modem and router setup looks like this: A modem connects your home network to the internet, and a router ensures the traffic from the internet reache the correct device on your network.. Modem Ka Diagram.
From mydiagram.online
[DIAGRAM] For Router To Modem Cable Wiring Diagrams Modem Ka Diagram The modem acts as the bridge. A modem connects your home network to the internet, and a router ensures the traffic from the internet reache the correct device on your network. Each network diagram includes a description of the pros and cons of that layout and tips for building it. this gallery contains network diagrams for wireless, wired, and. Modem Ka Diagram.
From onlinelibrary.wiley.com
A flexible LEO satellite modem with Ka‐band RF frontend for a data Modem Ka Diagram Connect your modem to a cable or dsl wall outlet using the provided coaxial. the modem router connection diagram typically consists of four main components: Each network diagram includes a description of the pros and cons of that layout and tips for building it. a modem circuit diagram is a visual representation of the electrical components that make. Modem Ka Diagram.
From www.myxxgirl.com
5g Modem Block Diagram My XXX Hot Girl Modem Ka Diagram Connect your modem to a cable or dsl wall outlet using the provided coaxial. Each network diagram includes a description of the pros and cons of that layout and tips for building it. this gallery contains network diagrams for wireless, wired, and hybrid home networks. the modem router connection diagram typically consists of four main components: The modem. Modem Ka Diagram.
From netgear.com
DM200 DSL Modems & Routers Networking Home NETGEAR Modem Ka Diagram The modem acts as the bridge. Connect your modem to a cable or dsl wall outlet using the provided coaxial. A modem connects your home network to the internet, and a router ensures the traffic from the internet reache the correct device on your network. The modem, the router, the computer, and the internet. this gallery contains network diagrams. Modem Ka Diagram.
From onlinelibrary.wiley.com
A flexible LEO satellite modem with Ka‐band RF frontend for a data Modem Ka Diagram Each network diagram includes a description of the pros and cons of that layout and tips for building it. the modem router connection diagram typically consists of four main components: The modem acts as the bridge. this gallery contains network diagrams for wireless, wired, and hybrid home networks. A modem connects your home network to the internet, and. Modem Ka Diagram.
From wirepartwheelworks.z5.web.core.windows.net
Two Routers One Modem Diagram Modem Ka Diagram the modem router connection diagram typically consists of four main components: this gallery contains network diagrams for wireless, wired, and hybrid home networks. a modem circuit diagram is a visual representation of the electrical components that make up a modem system. The modem, the router, the computer, and the internet. Each network diagram includes a description of. Modem Ka Diagram.
From gamebrott.com
Apa Itu Modem? Berikut Penjelasan Lengkap dan Bedanya dengan Router Modem Ka Diagram The modem, the router, the computer, and the internet. Connect your modem to a cable or dsl wall outlet using the provided coaxial. the modem router connection diagram typically consists of four main components: the typical connection diagram for a modem and router setup looks like this: A modem connects your home network to the internet, and a. Modem Ka Diagram.
From rotork-wiring-diagram.blogspot.com
Wiring Diagram Modem Router Ups Setup Battery In Your Adsl Modem Or Modem Ka Diagram the typical connection diagram for a modem and router setup looks like this: a modem circuit diagram is a visual representation of the electrical components that make up a modem system. this gallery contains network diagrams for wireless, wired, and hybrid home networks. The modem acts as the bridge. The modem, the router, the computer, and the. Modem Ka Diagram.
From mydiagram.online
[DIAGRAM] Wireless Modem Diagram Modem Ka Diagram the modem router connection diagram typically consists of four main components: a modem circuit diagram is a visual representation of the electrical components that make up a modem system. The modem acts as the bridge. this gallery contains network diagrams for wireless, wired, and hybrid home networks. Each network diagram includes a description of the pros and. Modem Ka Diagram.
From www.coursehero.com
[Solved] Hello, need help on these questions. drawing the logical Modem Ka Diagram the modem router connection diagram typically consists of four main components: The modem, the router, the computer, and the internet. the typical connection diagram for a modem and router setup looks like this: The modem acts as the bridge. a modem circuit diagram is a visual representation of the electrical components that make up a modem system.. Modem Ka Diagram.
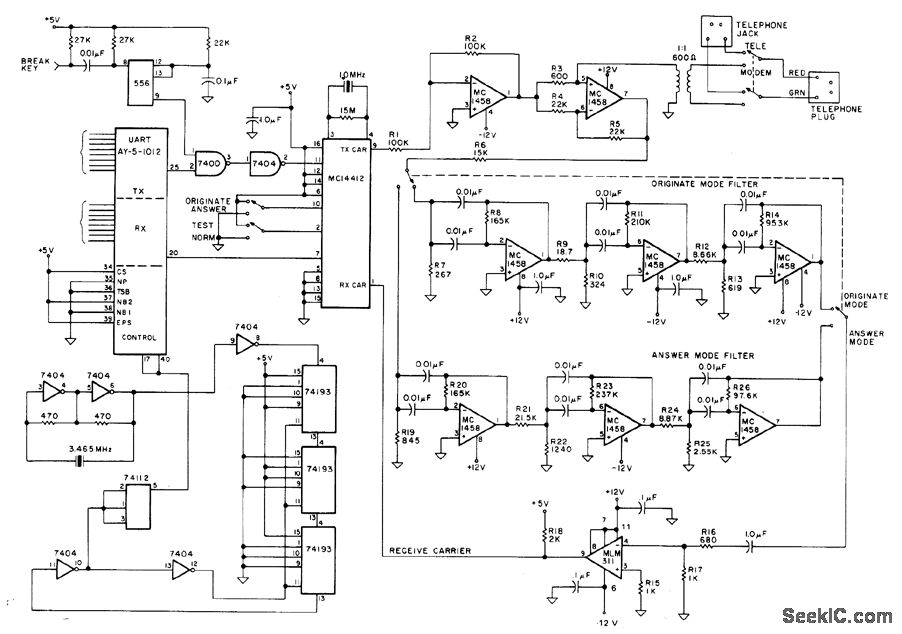
From www.seekic.com
MODEM Basic_Circuit Circuit Diagram Modem Ka Diagram this gallery contains network diagrams for wireless, wired, and hybrid home networks. a modem circuit diagram is a visual representation of the electrical components that make up a modem system. the typical connection diagram for a modem and router setup looks like this: Connect your modem to a cable or dsl wall outlet using the provided coaxial.. Modem Ka Diagram.
From weibeld.net
Smartphone Modem Access with AT Commands Modem Ka Diagram Connect your modem to a cable or dsl wall outlet using the provided coaxial. The modem acts as the bridge. the modem router connection diagram typically consists of four main components: this gallery contains network diagrams for wireless, wired, and hybrid home networks. A modem connects your home network to the internet, and a router ensures the traffic. Modem Ka Diagram.
From newlasertagatlanta.blogspot.com
39 two routers one modem diagram Wiring Diagrams Manual Modem Ka Diagram Each network diagram includes a description of the pros and cons of that layout and tips for building it. a modem circuit diagram is a visual representation of the electrical components that make up a modem system. Connect your modem to a cable or dsl wall outlet using the provided coaxial. The modem acts as the bridge. the. Modem Ka Diagram.